Opis
Zastosowanie
Układ typu T wykorzystywany jest w pomieszczeniach wymagających kontroli temperatury powietrza, takich jak przemysłowe hale produkcyjne, odlewnie metali czy magazyny. Dzięki wyposażeniu w zewnętrzny, pokojowy czujnik temperatury, użytkownik ma zawsze dostęp i możliwość zdalnej zmiany progu zadziałania. W przypadku, gdy temperatura mierzona przez czujnik pomieszczeniowy jest niższa niż wartość zadana pokrętłem termostatu, wentylator jest zatrzymany (lub pracuje na niższym biegu w przypadku wersji dwubiegowej). Z chwilą wzrostu temperatury powyżej zadanej granicy, układ wymusza zwiększenie ciągu wentylacyjnego poprzez załączenie wentylatora (bądź przełączenie wentylatora wywiewnego na wyższy bieg). Stan podwyższonego wydatku powietrza jest zachowany aż do momentu spadku temperatury poniżej progu ustalonego przez użytkownika.
Dane techniczne
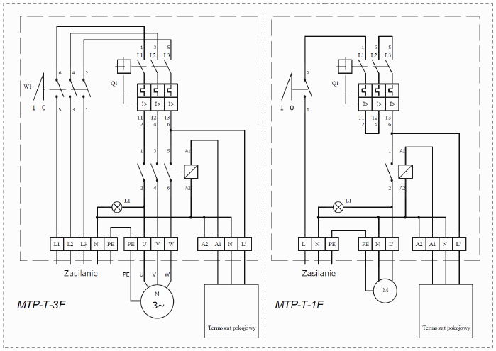
Schematy elektryczne
MTP-T-3F – automatyczny układ sterowania wentylacją w funkcji temperatury, przeznaczony dla wentylatorów z silnikiem trójfazowym.
MTP-T-1F – automatyczny układ sterowania wentylacją w funkcji temperatury, przeznaczony dla wentylatorów z silnikiem jednofazowym.





