Opis
Zastosowanie
Starter typu H współpracuje z zewnętrznym czujnikiem wilgotności, zamontowanym w pomieszczeniu podlegającym wentylacji. Nastawa progu zadziałania dokonywana jest przez użytkownika systemu wentylacyjnego, za pośrednictwem pokrętła umieszczonego w obudowie higrostatu. W przypadku, gdy aktualny poziom wilgotności jest niższy niż próg nastawiony pokrętłem, wentylator nie działa (bądź aktywny jest pierwszy bieg wentylatora w przypadku wersji dwubiegowej). Wzrost poziomu wilgotności w kontrolowanym
pomieszczeniu powoduje załączenie wentylatora (lub przełączenie wentylatora na wyższy bieg) i zwiększenie ciągu w kanale wentylacyjnym.
Zwiększenie obrotów wentylatora skutkuje szybszym osuszeniem pomieszczenia i utrzymaniem stałego poziomu wilgotności.
Dane techniczne
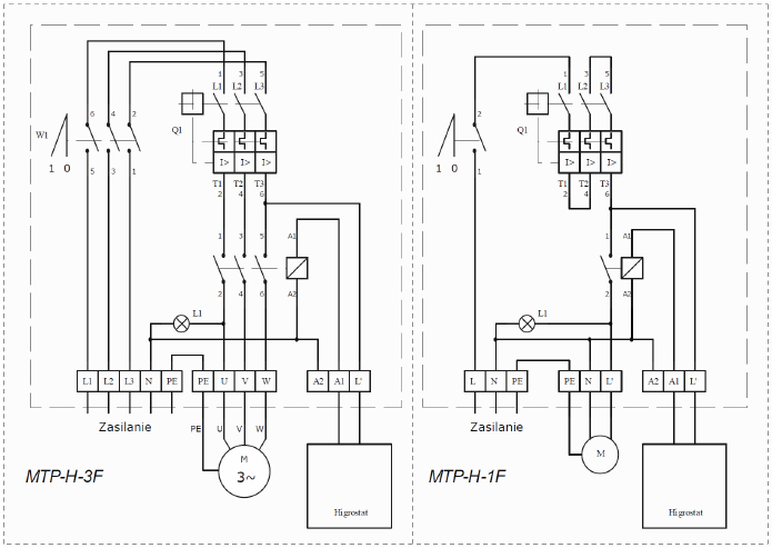
Schematy elektryczne





