Opis
Zastosowanie
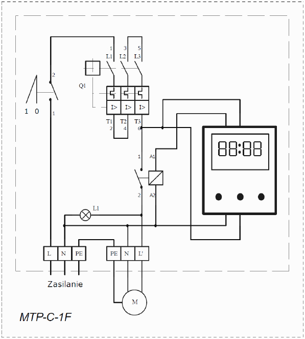
Układ rozruchowy typu C wyposażony jest w programator dobowy/tygodniowy. Użytkownik ma możliwość zaprogramowania stref czasowych oraz czasu pracy wentylatora dla poszczególnych przedziałów czasowych. Programator pozwala na wprowadzenie 125 nastaw typu załącz/wyłącz, dzięki czemu istnieje możliwość szczegółowego zaplanowania pracy wentylatora na cały tydzień. Układ jest również dostępny z zegarem astronomicznym. Na życzenie dostępny jest układ sterujący wentylatorem dwubiegowym.
Dane techniczne
Schematy elektryczne
MTP-PTC-3F – układ rozruchowy z zabezpieczeniem termicznym dla wentylatorów z silnikami trójfazowymi
MTP-PTC-1F – układ rozruchowy z zabezpieczeniem termicznym dla wentylatorów z silnikami jednofazowymi






