Wymiennik glikolowy WG-01

Home/Wymienniki glikolowe/Wymiennik glikolowy WG-01

Wymiennik glikolowy WG-01

Produkcja chwilowo wstrzymana

Wymiennik WG-01 służy do dogrzewania powietrza czerpanego z zewnątrz przez rekuperator w okresie zimowym oraz jego schładzania podczas występowania letnich upałów. W połączeniu z rekuperatorem zapewnia on optymalną temperaturę świeżego powietrza nawiewanego do pomieszczeń mieszkalnych. WG-01 korzysta z naturalnych właściwości gruntu, transportując ciepło spod jego powierzchni do wymiennika ciecz-powietrze i ogrzewa bądź schładza powietrze doprowadzane systemem kanałów wentylacyjnych budynku.

Dzięki zastosowaniu glikolowego układu zamkniętego, powietrze nie ma kontaktu z glikolem, ani tym bardziej z gruntem, gdzie mogą występować zanieczyszczenia lub wody gruntowe. W porównaniu do tradycyjnych wymienników żwirowych lub rurowych, wymiennik glikolowy firmy Metalplast eliminuje ryzyko bakteryjnego skażenia powietrza, rozwoju grzybów czy też pleśni.

Skocz do:

Do pobrania

Opis

Moduł pompy

Wymiary gabarytowe modułu pompy

Dane techniczne modułu pompy

Charakterystyka przepływowa modułu pompy

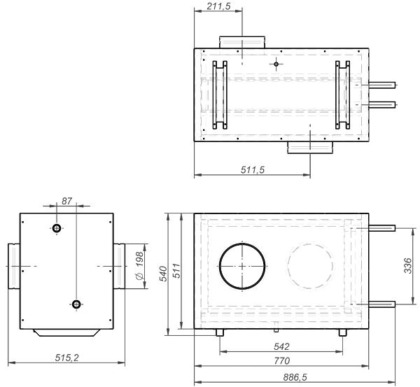
Moduł wymiennika ciecz – powietrze

Wymiary gabarytowe modułu wymiennika ciecz – powietrze

Dane techniczne modułu wymiennika ciecz – powietrze

Charakterystyka oporów wymiennika w funkcji wydajności

Moduł wymiennika gruntowego

Dane techniczne wymiennika gruntowego

Podstawowe cechy

– dogrzewanie powietrza w okresie zimowym
Wymiennik glikolowy firmy Metalplast doskonale sprawdza się w roli nagrzewnicy wstępnej w systemach wentylacji mechanicznej z odzyskiem ciepła. Układ glikolowy czerpie ciepło z gruntu, którego temperatura na głębokości 1,5 ÷ 1,8 m podczas zimy wynosi około 7oC. Czynnik transportowany jest do wymiennika lamelowego, gdzie powoduje ogrzanie powietrza czerpanego o temperaturze -20oC do temperatury 5oC. Dzięki temu temperatura powietrza wlotowego rekuperatora zawsze ma wartość dodatnią, natomiast wymiennik rekuperatora nigdy nie ulega oblodzeniu.

– schładzanie powietrza w okresie letnim
Podczas letnich upałów osiągających temperaturę 30oC i przy temperaturze gruntu na poziomie 12oC, układ glikolowy schładza powietrze wlotowe do temperatury 14oC. Zapewnia on dopływ chłodnego powietrza do pomieszczeń i poprawę komfortu. Znaczny wpływ na obniżenie temperatury mieszkań ma praca wymiennika glikolowego podczas nocy.

– brak ryzyka skażenia powietrza i zmiany jego parametrów
Konstrukcja firmy Metalplast to glikolowy układ zamknięty. W przeciwieństwie do tradycyjnych wymienników żwirowych lub rurowych, powietrze nie ma kontaktu z potencjalnie skażonym lub zanieczyszczonym gruntem. Ciepło transportowane jest poprzez roztwór glikolu propylenowego, zamkniętego w układzie hydraulicznym.

– brak konieczności czyszczenia oraz konserwacji
Ze względu na budowę wymiennika glikolowego Metalplast, nie ma konieczności czyszczenia układu hydraulicznego. W przeciwieństwie do wymienników rurowych, gdzie na skutek dużej różnicy temperatur wykrapla się kondensat oraz rozwijają się bakterie, wymiennik Metalplast zawsze pozostaje wolny od zanieczyszczeń chemicznych i biologicznych.

– duża powierzchnia wymiany ciepła oraz niskie opory powietrza
Moduł wymiennika WG-01 posiada dużą powierzchnię wymiany ciepła równą 21m2, natomiast jego maksymalne opory powietrza wynoszą 50 Pa przy wydajności 1000 m3/h. Część wymiennika, stanowiąca rurę PE wypełnioną roztworem glikolu propylenowego umieszczonego pod ziemią ma długość 160m, dzięki czemu odzysk ciepła z gruntu jest bardzo efektywny.

– niski pobór energii elektrycznej
Zastosowanie wysokosprawnej i energooszczędnej pompy obiegowej, dedykowanej dla układów solarnych, zapewnia odpowiednie parametry pracy oraz niski pobór energii elektrycznej. Urządzenie działa ponadto jedynie latem i zimą. W okresach przejściowych dezaktywuje się automatycznie.

– wysoka jakość zastosowanych podzespołów i niezawodność
Do budowy wymiennika glikolowego wykorzystano wyłącznie podzespoły czołowych europejskich producentów, co gwarantuje najwyższą jakość produktu oraz decyduje o jego niezawodności przez cały okres eksploatacji.

– niezależna praca automatyczna lub współpraca z automatyką rekuperatora
Wymiennik WG-01 działa w pełni automatycznie, zgodnie z nastawami temperatury dla okresów letniego i zimowego. Dostępny jest on w wersji ze zintegrowanym modułem sterującym, wyposażonym w wyświetlacz ciekłokrystaliczny lub w wersji podstawowej, przeznaczonej do współpracy z automatyką rekuperatora.