Opis
Zastosowanie
Przeznaczeniem układu jest współpraca z wentylatorami wyposażonymi w termistor kontrolujący temperaturę silnika przez cały okres jego pracy. Podnosi on bezpieczeństwo użytkowania oraz minimalizuje ryzyko uszkodzeń wentylatora na skutek nieodpowiednich warunków użytkowania oraz zmian parametrów zasilania. Starter MTP-PTC zapobiega przegrzaniu urządzenia spowodowanego zużyciem łożysk, zanikiem fazy, uszkodzeniem izolacji oraz zwarciem międzyzwojowym. Główne funkcje układu to:
- zabezpieczenie przeciwzwarciowe i przeciążeniowe
- zabezpieczenie przed niesymetrycznym obciążeniem układu
- ochrona przed zwarciem doziemnym
- zabezpieczenie termiczne uzwojeń wentylatora
- sygnalizacja awarii
- sygnalizacja obecności napięcia oraz pracy wentylatora
Dane techniczne
Schematy elektryczne
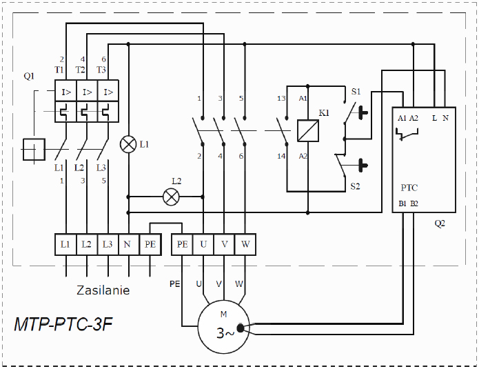
MTP-PTC-3F – układ rozruchowy z zabezpieczeniem termicznym dla wentylatorów z silnikami trójfazowymi
MTP-PTC-3F – układ rozruchowy z zabezpieczeniem termicznym dla wentylatorów z silnikami trójfazowymi
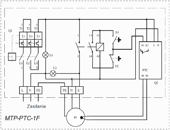
MTP-PTC-1F – układ rozruchowy z zabezpieczeniem termicznym dla wentylatorów z silnikami jednofazowymi
MTP-PTC-1F – układ rozruchowy z zabezpieczeniem termicznym dla wentylatorów z silnikami jednofazowymi






