Opis
Zastosowanie
Startery serii MTP-GR mają zastosowanie w układach sterowania większej liczby wentylatorów zasilanych z jednego źródła napięcia. Oferowane są w wersji jedno i trójfazowej oraz w obudowach o stopniu ochrony wymaganym przez klienta. MTP-GR zapewnia podstawową ochronę silnika przed:
- zwarciem uzwojeń silnika lub przewodów doprowadzających napięcie zasilania
- niesymetrycznym obciążeniem układu
- zwarciem doziemnym
- przeciążeniem wentylatora
Układy grupowe pozwalają na kontrolę pracy silników z poziomu jednej szafki rozdzielczej, dzięki czemu ułatwiają one obsługę oraz okresowe przeglądy. Stosowane są wszędzie tam, gdzie występuje możliwość zasilania kilku wentylatorów bez konieczności prowadzenia długich przewodów zasilających, na których mogłyby powstawać spadki napięć.
Układy grupowe oferowane przez firmę Metalplast, konstruowane są w taki sposób, aby wyłączniki silnikowe poszczególnych wentylatorów nie oddziaływały na siebie wzajemnie. Startery MTP-GR dostępne są w konfiguracjach z oddzielnymi wyłącznikami napięcia
zasilającego poszczególne wentylatory oraz sygnalizacją pracy silników.
Dane techniczne
Schematy elektryczne
MTP-PR-3F-A – układ grupowy wyposażony w wyłącznik zasilania wentylatora (zasilanie 3x400V)
MTP-PR-3F-B – układ w wersji grupowej tylko z wyłącznikiem silnikowym (zasilanie 3x400V)
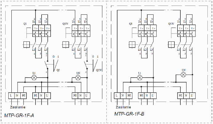
MTP-PR-1F-A – układ grupowy wyposażony w wyłącznik zasilania wentylatora (zasilanie 1x230V)
MTP-PR-1F-B – układ w wersji grupowej tylko z wyłącznikiem silnikowym (zasilanie 1x230V)






