Opis
Zastosowanie
Wyłączniki typu LMS-25 służą do ochrony termicznej silników wentylatorów dachowych wykonanych w wersji standardowej oraz chemoodpornej. LMS-25 posiada wyzwalacz termiczny, nastawiany ręcznie za pomocą potencjometru oraz wyzwalacz magnetyczny, stanowiący doskonałą ochronę przed zwarciem doziemnym lub międzyfazowym. Ze względu na różny zakres prądów zadziałania, typ wyłącznika dobierany jest indywidualnie dla każdego silnika. Urządzenie zastępuje ponadto standardowy wyłącznik zasilania silnika wentylatora.
Aparaty tego typu charakteryzuje łatwość montażu oraz eksploatacji. Obudowa wykonana z wysokiej jakości tworzywa sztucznego zapewnia doskonałą ochronę przed niekorzystnymi warunkami środowiskowymi. Zastosowane dławiki kablowe pozwalają na uzyskanie stopnia ochrony IP55 i mogą być instalowane zarówno w górnej, jak i dolnej części obudowy.
Dane techniczne
- Znamionowe napięcie izolacji: 690 V
- Częstotliwość napięcia sieci: 50/60 Hz
- Zakres prądów wyzwalacza termicznego: 0,1 ÷ 25 A
- Trwałość mechaniczna: 100 000 cykli
- Trwałość elektryczna 25A (AC3): 100 000 cykli
- Czuły na zanik fazy
- Zakres temperatur pracy: -20OC ÷ 50 OC
- Stopień ochrony: IP55
Wymiary gabarytowe
Wyłącznik silnikowy z zabezpieczeniem termicznym LMS-25 – wymiary gabarytowe
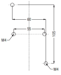
Wyłącznik silnikowy z zabezpieczeniem termicznym LMS-25 – rozmieszczenie otworów montażowych







